Page 616 - Furniture Cabinetry Hardware-FloorKitchenResource.com
P. 616
Sliding and Roller Shutter Systems
Folding Cabinet Door Fittings
Concertina
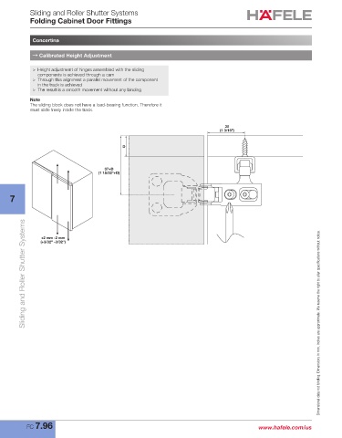
→ Calibrated Height Adjustment
> Height adjustment of hinges assembled with the sliding
components is achieved through a cam
> Through this alignment a parallel movement of the component
Calibrated Height Adjustment
in the track is achieved
> The result is a smooth movement without any binding
Height adjustment of hinges assembled with the sliding components is achieved through a cam. Through this alignment a parallel movement of
the component in the track is achieved. The result is a smooth movment without any binding.
Note
The sliding block does not have a load-bearing function. Therefore it
Note
must slide freely inside the track.
The sliding block does not have a load-bearing function. Therefore it must slide freely inside the track.
30
(1 3/16")
D
37+D
(1 15/32"+D)
7
Sliding and Roller Shutter Systems
+2 mm -2 mm
(+3/32" -3/32")
Depth Adjustment
Depth adjustment of the hinges mounted on the sliding component is achieved through the fixing screw of the same hinge. Depth adjustment
should be made in conjunction with the hinges mounted on the opposite door. This adjustment is useful to keep the “L” value constant all along
the front of the furniture.
+ 2.5 mm (1/8") Dimensional data not binding. Dimensions in mm, inches are approximate. We reserve the right to alter specifications without notice.
L
+ 2.5 mm
(+ 1/8")
FC 7.96 www.hafele.com/us

